1
/
of
2
Direct Cabinet Source
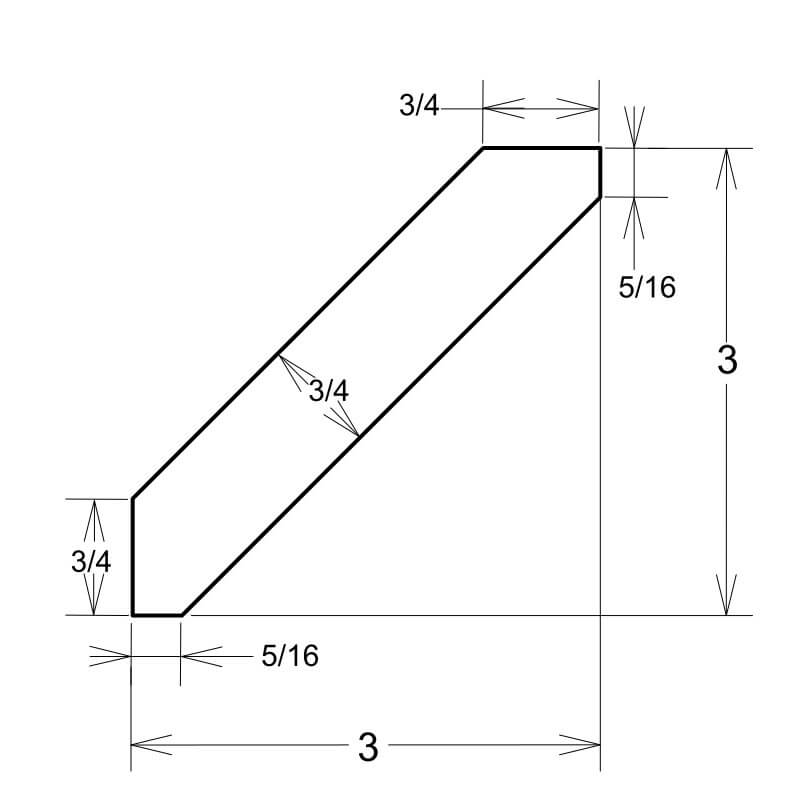
Angle Crown Molding ACM8
Angle Crown Molding ACM8
Regular price
$70.12 USD
Regular price
$175.30 USD
Sale price
$70.12 USD
Unit price
/
per
Couldn't load pickup availability
Angle Crown Molding - 2 1/2"W 96"H 3/4"D
Share
