Ir directamente a la información del producto
1 de 2

Direct Cabinet Source

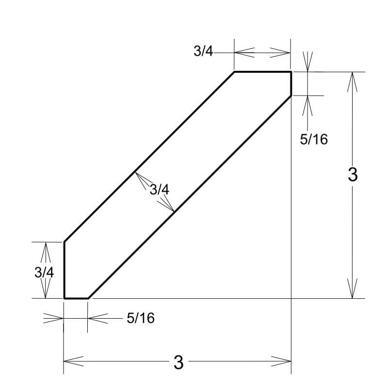
Moldura de corona angular ACM8

Moldura de corona angular ACM8

Precio habitual $73.46 USD
Precio habitual $183.65 USD Precio de oferta $73.46 USD
Oferta Agotado
Moldura

Moldura de corona angular - 2 1/2" de ancho x 96" de alto x 3/4" de profundidad

Ver todos los detalles